
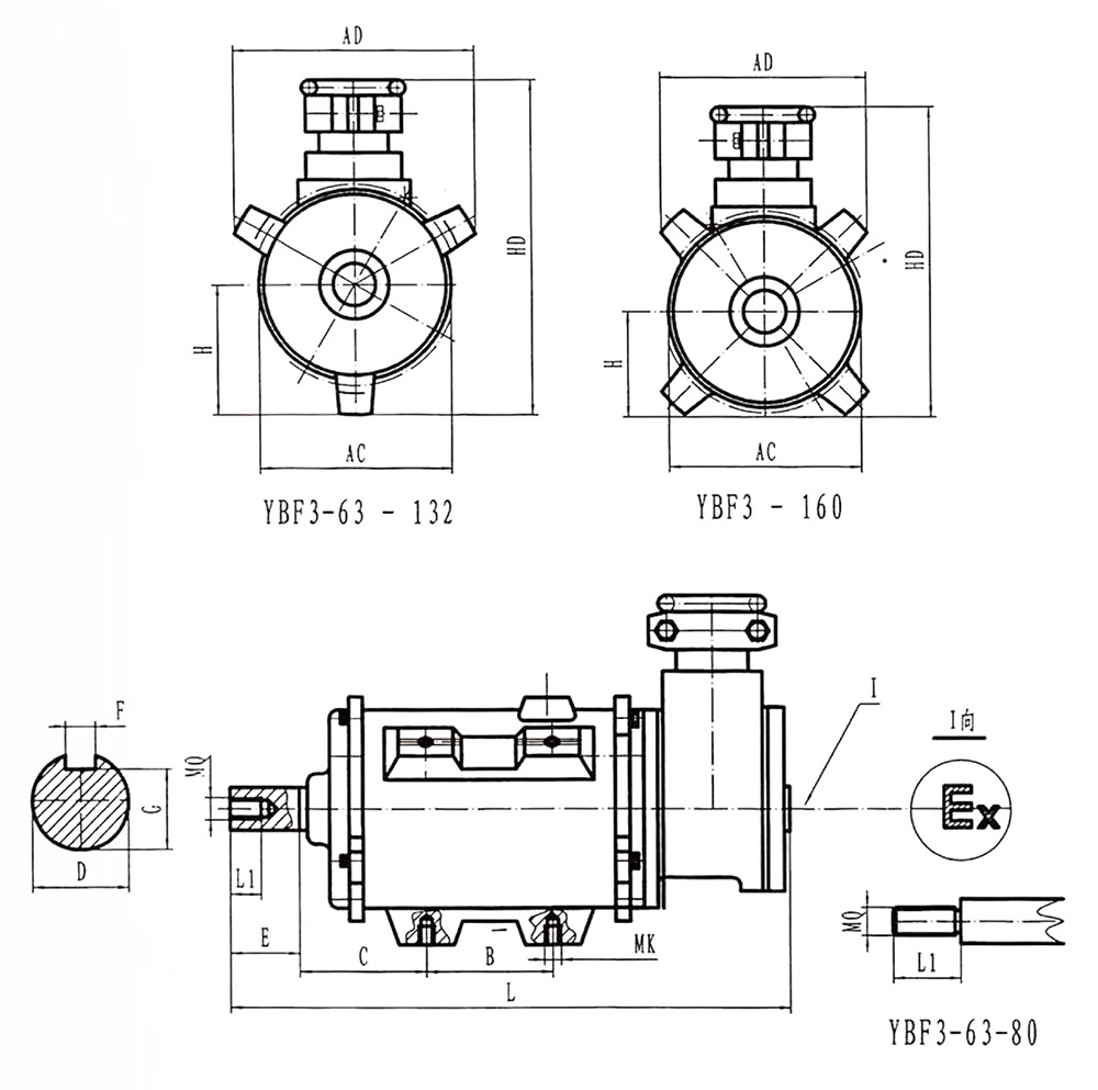
YBF3 explosion-proof motor is a new product designed and developed for ventilation fan. It has the characteristics of small size, light weight, high efficiency, low noise, low vibration, safe and reliable operation, easy operation and maintenance. YBF3 explosion-proof motor power level and installation dimensions conform to National Standards and the International Electrotechnical Commission IEC standards, reach the domestic first-class technical level. YBF3 flameproof three-phase asynchronous motor for fans implement the standard GB3836.2 Explosive Atmosphere Electrical Apparatus, Part 2, Apparatus with Flameproof Type “d” Enclosure , MT451-1995 Flameproof Low-voltage Three-phase Asynchronous Motor for Coal Mine General Technical Specification for Safety Performance". The main performance is in line with the provisions of "Flameproof three-phase asynchronous motor Technical conditions Part 5 YBF3 series fan flameproof three-phase asynchronous motor (frame No. 63-355)", the explosion-proof mark is Exdb LBT4, EXLBT4(original mark Exd). it mainly used as the prime motor of the fan. It is suitable for the place where the non-mining surface of coal mine has methane flammable gas or the explosive gas environment formed between coal mine and air.




